服務熱線







3.5防水耳機座H4.5有頭5PIN反沉半金防水9(配膠圈)
3.5耳機座沉板1.4無頭6PIN全貼半金無柱編帶
3.5耳機座沉板1.0 6PIN無頭全貼鍍金編帶
3.5耳機座H4.5有頭雙柱全金全貼編帶訂制橙黃色
3.5耳機座H4.5有頭雙柱全金全貼編帶訂制橙紅色
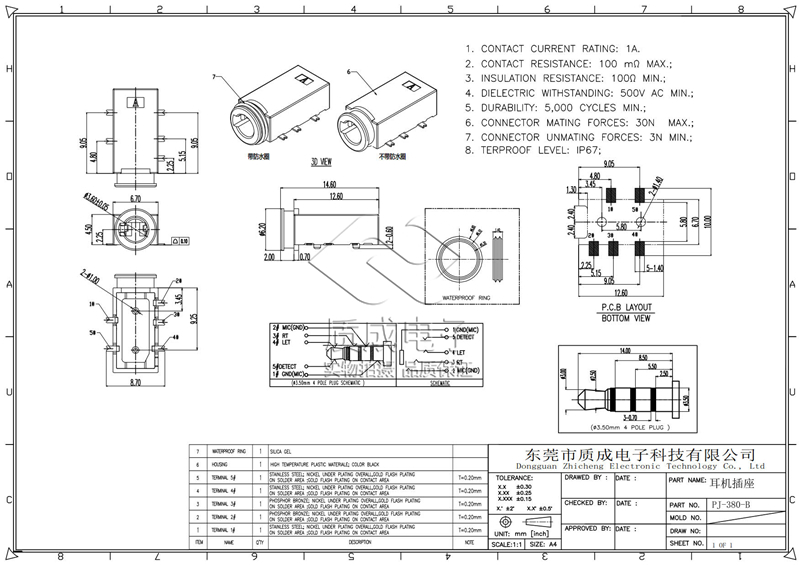
3.5耳機座H4.5有頭5PIN貼片半金防水IP67編帶(配膠圈)
3.5耳機座H4.5有頭5PIN插腳半金防水IP67編帶(配膠圈)
3.5耳機座H4.5無頭短舌片雙柱6PIN全貼全金編帶
3.5耳機座H3.8上斜口無柱5PIN全插鍍金
3.5耳機插座貼片六腳無頭單柱H4.0外短舌片大插拔力全金
3.5耳機插座雙柱全貼342半金H4.5X14大插拔力四節帶開關PJ-3136A
3.5耳機插座雙柱全貼342鍍金H4.5X14大插拔力四節帶開關PJ-3136A